可测交流、直流和脉冲信号
抗外界干扰强,共模抑制比大
低温漂、响应时间快、频带宽
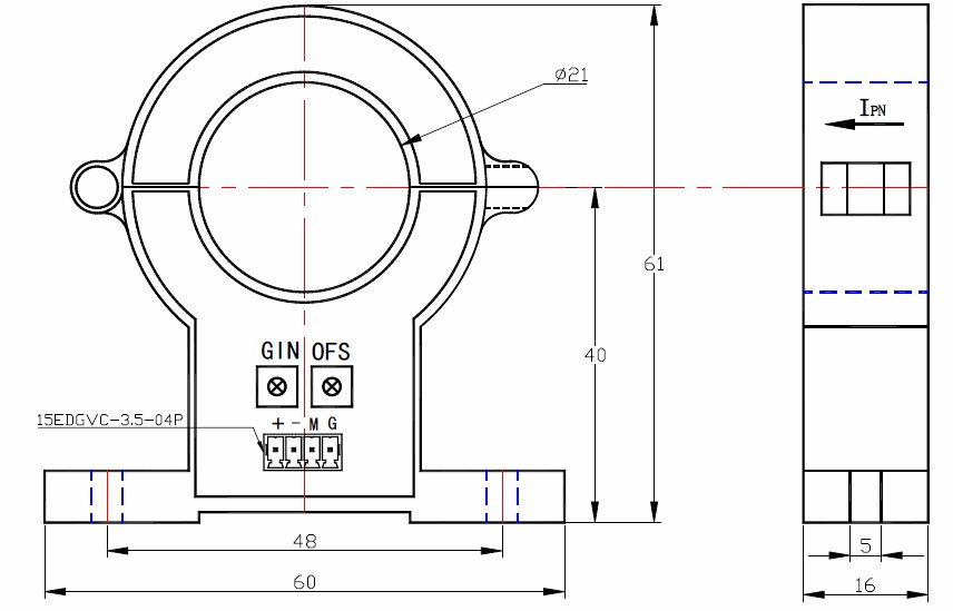
穿孔结构,无插入损耗
对开式结构,安装简便
交流变频调速
伺服电机牵引
不间断电源(UPS)
电焊机、电池电源
传感器应正确接线,否则可能损坏传感器内部元件
输入电流排完全充满原边穿孔时动态表现(di/dt和响应时间)为最佳
服务热线:400-086-3003
电话:0728-5353116 5353117
传真:0728-5353121
邮箱:hbtr@tgkqg.com
地址:湖北省天门市经济开发区创业大道8号